EMABF8L

Wall Mount Mechanical Activation ADA Cooler Non-filtered Refrigerated Light Gray Granite

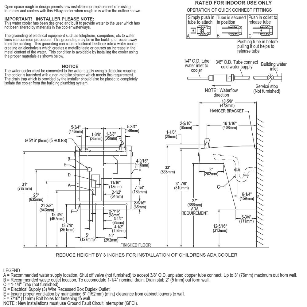
ADA Yes
Installation Location Indoor
Application Classroom
Power 115V/60Hz
Finish Light Gray Granite
Number of Stations 1
Bubbler Style Flexi-Guard ® Safety Bubbler
Filtered No
Chilling Capacity 8.0 GPH
Mounting Type Wall Mount (On Wall)
Included with Product Water Cooler
Country Of Origin USA
Dimensions L: 18-1/16"
W: 18-5/8"
H: 20-5/8"
Shipping Dimensions L: 20-1/2"
W: 19-11/16"
H: 26-3/16"
Shipping Weight 58 LBS
Code Compliance ASME A112.19.3/CSA B45.4
CSA B45.4
CSA C22.2 No. 120
UL 399
NSF 61
NSF 372

Mechanically-activated water cooler ideal for areas prone to service disruptions. Easy-to-operate front and side pushbar activation.

  • Classic design fits well in all building designs
  • Hermetically sealed refrigeration system provides chilled water to satisfy thirst
  • Mechanical bubbler push bars continue to provide water when electrical service is interrupted
  • Flexi-Guard bubbler provides a flexible antimicrobial mouth guard that protects against injury and microorganisms from growing on it
  • Vinyl clad finish is durable and attractive
  • Provides refreshing, chilled water
  • Rated for indoor use